Por: Ing. Hernán Hernández
Cuando se tiene un circuito mixto, lo más recomendable es comenzar a reducir el circuito iniciando por las resistencias en paralelo hasta llegar a una forma sencilla, ya sea en serie o paralelo, para determinar corrientes, tensiones o bien potencias.
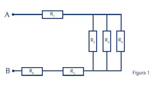
En el circuito de la Figura 1 se muestra una combinación de 3 resistencias en serie que son R1, R5 y R6, con tres resistencias en paralelo R2, R3 y R4. Los valores de cada resistencia son los siguientes: R1, R3 y R5=100Ω y R2, R4 y R6=1kΩ. Entre los puntos A y B se aplican 70 V.

A continuación se determinarán los siguientes parámetros ITOTAL, IR2 y VR6. Recuerda que para poder determinar una corriente es necesario aplicar la Ley de Ohm, entonces necesitas conocer la tensión aplicada al circuito y la resistencia, por lo que es necesario reducir el circuito para obtener la resistencia en los puntos A y B. Aplica la ecuación para determinar la resistencia equivalente:

En este caso queda de la siguiente manera:

La representación del circuito es como se muestra en la Figura 2.

El siguiente paso es sencillo debido a que sólo debes sumar de forma algebraica las resistencias en serie.

Con el anterior resultado, ya es posible aplicar de forma directa la Ley de Ohm, para determinar la ITOTAL.

Para determinar la corriente que pasa por la R2, aplica la ecuación del divisor de corriente, válida en sólo dos resistencias en paralelo, por lo que debes hacer una segunda reducción del circuito; esta vez sólo obtendrás el valor equivalente de las resistencias R3 y R4 de la Figura 1.

El circuito se reduce como se muestra en la Figura 3

Ahora, aplica la ecuación del divisor de corriente que se comentó anteriormente; toma como referencia la resistencia opuesta a la analizada, entre la suma de ambas resistencias por la corriente que entra a ellas, la ecuación queda entonces de la siguiente manera:

Finalmente para obtener la tensión en la resistencia 6, o como se conoce comúnmente VR6, puedes tomar la corriente ITOTAL cuyo valor fue de 0.0545 A o bien 54.5mA y usando la Ley de Ohm en términos de corriente y resistencia obtendrás el parámetro buscado.

Tener todos los valores de resistencias simplifica de gran manera la obtención de sus parámetros; por ejemplo fácilmente podríamos pensar que es posible indicar el valor de la tensión en R2, debido a que conocemos su valor y también la corriente que circula por ella; esto se puede determinar de forma directa, aunque esté en paralelo con otras dos.
Para finalizar, se obtendrá el valor de EReq y la potencia de ese grupo de resistencias.

Como ves, se pueden determinar las corrientes, tensiones y potencias de cada una de las resistencias, siempre y cuando tengas presentes los fenómenos eléctricos a los cuales obedece su comportamiento.
Es importante mencionar que los resultados de los parámetros eléctricos obtenidos, fueron redondeados para no manejar más de 3 dígitos después del punto decimal, porque se podría tener una variación mínima si se toman valores con 4 o 5 dígitos después del punto decimal, al realizar las operaciones.
En un arreglo de resistencias en paralelo, la tensión en sus terminales comunes se determina con el valor de la resistencia equivalente, a diferencia de las resistencias en paralelo, que puede determinarse una a una sólo con su valor en Ohms y la corriente total que circula por el circuito.




Envía un comentario